Энергия инноваций
+38 (056) 798-36-32;
Современные технологии, инжиниринг, сервис
На главную
Карта сайта
Обратная связь
КАТАЛОГ ОБОРУДОВАНИЯ
energoport.org  » Металлообрабатывающие станки » ОБОРУДОВАНИЕ » Широкоуниверсальный инструментально-фрезерный станок

Широкоуниверсальный инструментально-фрезерный станок

 

Широкоуниверсальный инструментально-фрезерный станок

мод. FМ25F1 (аналог 67А25Ф1) с УЦИ HEIDENHAIN ND-780

 фрезерный станок

 

 

Основные техничеческие характеристики станка

Наименование параметра

 

Главный привод

Номинальная мощность двигателя главного привода, kW

4

Крутящий момент на валу двигателя, Nm

-номинальный (при длительном режиме эксплуатации S1)

-максимальный (при повторно кратковременном режиме эксплуатации S4)

 

26,8

53,6

Шпиндели

максимальный крутящий момент, Nm :

- горизонтальный шпиндель        

- шпиндель вертикальной фрезерной головки 

 

193

82

Частоты вращения, min-1 :

- горизонтальный шпиндель (бесступенчатое регулирование)

- шпиндель вертикальной фрезерной головки (бесступенчатое регулирование)

 

70-3150

70-3150

Диапазоны частот вращения, min-1 :

- нижний диапазон

- верхний диапазон

 

70-500

500-3150

Концы шпинделей по DIN2079

ISO40

Усилия затяжки инструментов, N не менее

10 000

Перемещение рабочих органов

Наибольшее продольное перемещение столов (ось X), mm 

400

Наибольшее поперечное перемещение шпиндельной бабки (ось Y), mm

320

Наибольшее вертикальное перемещение столов (ось Z), mm

440

Наибольшее перемещение пиноли вертикальной фрезерной головки вдоль своей оси, mm 

60

Наибольший угол поворота вертикальной фрезерной головки, град

±90

 

 

механические бесступенчатые перемещения

Скорости рабочих подач по осям Х, Y, Z mm/min

2...1200

Скорости быстрых перемещений по осям  X, Y, Z,   mm/min   

2000

Наибольшие усилия подач по осям X, Y, Z,      N   

6000

Наибольшая общая масса устанавливаемых на столы заготовок и станочных приспособлений, kg.:

- вертикальный стол (салазки)

- угловой горизонтальный стол

 

 

280

200

Ширина рабочей поверхности, mm

250

Параметры рабочего пространства

Расстояние от оси горизонтального шпинделя до рабочей поверхности углового горизонтального стола( при переустановке углового стола), мм

 

55 - 595

Расстояние от торца вертикального шпинделя до рабочей поверхности углового горизонтального стола( при переустановке углового стола), мм

 

10 - 485

Расстояние от зеркала стойки до оси вертикального шпинделя, мм

191 - 511

 Вертикальный стол (салазки)

Длина рабочей поверхности, mm    

630

Количество/размер Т-образных пазов

3/12

 

Съемный угловой горизонтальный стол

Ширина рабочей поверхности, mm

320

Длина рабочей поверхности, mm    

800

Масса стола, kg

105

Система охлаждения

Объем резервуара смазочно-охлаждающей жидкости, l

16

Наибольшая подача смазочно-охлаждающей жидкости, l/min

10

Шумовая характеристика

Предельно допустимый уровень шума La на рабочем месте, dB (А)

85

Вес  и габаритные размеры станка

Масса станка стандартной поставки без принадлежностей, кг, не более

1650

Масса принадлежностей стандартной поставки, кг, не более

35

Масса транспортировочного поддона, кг, не более

150

 

400

 

 

1715

1670

1865

 

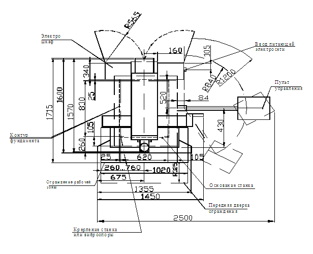
Установочный монтажный план

 

Монтажный план

 

 






Комплект поставки:

1.             Устройство цифровой индикации (УЦИ) ND - 780 "Heidenhain" Германия    ) - 1 шт.

2.             Угловой горизонтальный стол  (на станке) - 1 шт.

3.             Хобот  (на станке)  - 1 шт.

4.             Подвеска (на станке)  - 1 шт.

5.             Вертикальная головка   (на станке) - 1 шт.

6.             Съемник  (на станке)  - 1 шт.

7.             Хвостовик  для вспомогательного инструмента  - 6 шт.

8.             Комплект техничeской документации - 1 компл.

 

г. Днепр

пр-т А.Поля 25,
ООО "Энергопорт" - поставщик современных немецких металлообрабатывающих станков и кузнечно - прессового оборудования. Так же компания выполняет спектр ремонтных и пусконаладочных работ.